首页
关于长晶
发展历程
企业介绍
加入长晶
新闻中心
产品中心
开云官方下载开云app-开云(中国)
三极管
MOSFET
IC产品
IGBT
IPM
第三代半导体
汽车电子
其他
应用领域
质量体系
质量方针
体系证书
环境物质检测报告
开云官方下载开云app-开云(中国)
EN
EN
首页
>>
产品中心
>>
IGBT
>>
IGBT模块
>>
搜索
IGBT模块
Part Number
Download
Circuit
Status
VCES
(V)
Ic@Tc=100℃
(A)
Vcesat
(V)
Switching Frequency
(KHZ)
Short Current Withstand Time
(us)
Eon
(mJ)
Eoff
(mJ)
Configuration
Package
Reset
Reset All
Active
OK
Reset
OK
Reset
OK
Reset
OK
Reset
0~8
20~40
8~20
OK
Reset
OK
Reset
OK
Reset
OK
Reset
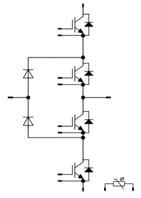
7-unit
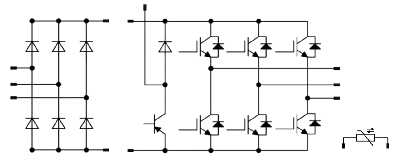
NPC1
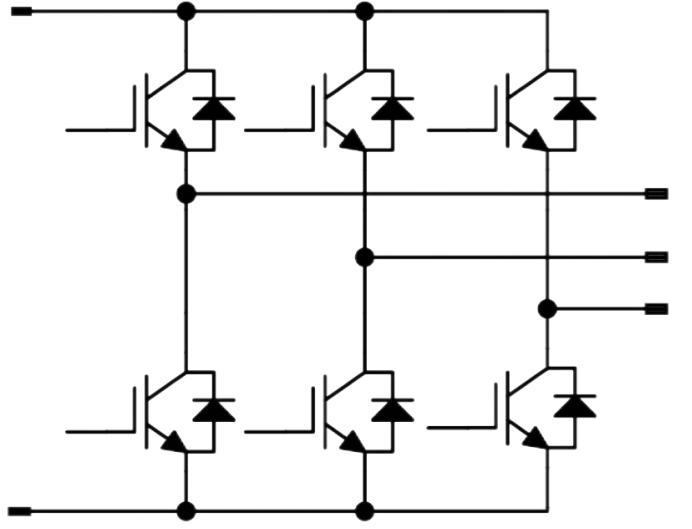
full bridge
half-bridge
OK
Reset
A2
B1
B2
C3
E3
OK
Reset
MCF600N120T3E3
Active
1200
600
1.56
8~20
-
-
-
half-bridge
E3
MCP150N120T3C3
Active
1200
150
1.54
8~20
15
19
14.3
7-unit
C3
MCS150N120T3C3
Active
1200
150
1.54
8~20
15
19
14.3
full bridge
C3
MCI150N65S3A2
Active
650
150
1.51
8~20
5
4.43
2.94
NPC1
A2
MCI100N65E3A2
Active
650
100
1.44
8~20
3
3.4
2.5
NPC1
A2
MCF450N120T3E3
Active
1200
450
1.61
8~20
8
55.5
30.4
half-bridge
E3
MCF300N120T3B2
Active
1200
300
1.6
8~20
8
37
20.3
half-bridge
B2
MCF300N120K3B2
Active
1200
300
1.7
20~40
-
35.5
14.6
half-bridge
B2
MCF200N120K2B2
Active
1200
200
1.54
20~40
5
16.8
9.3
half-bridge
B2
MCF100N120K2B1
Active
1200
100
1.55
8~20
10
10.4
2
half-bridge
B1
«
1
2
»
导出Excel